- Đầu bơm bùn
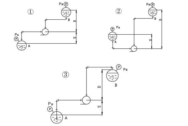
Đầu đề cập đến năng lượng thu được từ máy bơm bùn trên một đơn vị trọng lượng của chất lỏng. Việc tính toán cột áp bơm bùn có thể tạm chia làm 3 trường hợp (như hình vẽ):

1.h=D + S + hf1 + hf2 + h3 + Pd - Ps
2.h = D - S + hf1 + hf2 + hf3 + Pd - Ps
3.h = D + S + hf1 + hf2 + hf3 + Pd - Ps
D - Chiều cao xả hình học, m; Giá trị: Dương nếu cao hơn đường tâm đầu vào máy bơm; Âm nếu thấp hơn đường tâm đầu vào máy bơm.
S - Chiều cao hút hình học, m; Giá trị: Âm nếu cao hơn đường tâm đầu vào máy bơm; Tích cực nếu thấp hơn đường tâm đầu vào máy bơm.
Pd, Ps - Áp suất làm việc trong bình chứa, m cột chất lỏng (áp suất đo); Giá trị: Được xác định bằng dấu của đồng hồ đo áp suất.
Hf1 - Tổn hao điện trở trong ống thẳng, m của cột chất lỏng.
Hf2 - Tổn hao điện trở lắp, m của cột chất lỏng.
Hf3 - Tổn hao điện trở cục bộ ở đầu vào và đầu ra, m của cột chất lỏng.
h - Đầu bơm, m cột chất lỏng.
- Tốc độ dòng bơm bùn
Việc xác định tốc độ dòng bơm bùn chủ yếu liên quan đến ba điểm sau:
1.Nếu tốc độ dòng chảy tối thiểu, bình thường và tối đa được chỉ định trong quy trình sản xuất máy bơm bùn thì cần xem xét tốc độ dòng chảy tối đa.
2. Nếu chỉ đưa ra tốc độ dòng bình thường trong quá trình sản xuất thì cần xem xét một mức nhất định:
Đối với máy bơm bùn lưu lượng cao, đầu thấp có tốc độ riêng (NS) > 100, biên độ tốc độ dòng chảy là 5%. Đối với máy bơm lưu lượng thấp, đầu cao có NS < 50, biên độ dòng chảy là 10%. Đối với máy bơm có 50 NS 100, biên độ dòng chảy cũng là 5%. Đối với máy bơm có chất lượng kém hoặc hoạt động trong điều kiện khắc nghiệt, biên độ dòng chảy phải là 10%.
3. Nếu dữ liệu cơ bản chỉ cung cấp tốc độ dòng trọng lượng thì nó phải được chuyển đổi thành tốc độ dòng thể tích.
Mối quan hệ giữa khe hở bánh công tác máy bơm bùn và nồng độ vật liệu được truyền tải (Phần 4)
Thận trọng trong ứng dụng thực tế
- Trong các ứng dụng thực tế, cần lưu ý những điểm sau đây khi điều chỉnh khe hở cánh quạt bơm bùn:
1.Điều chỉnh tắt máy: Trước khi điều chỉnh độ hở của cánh quạt, phải tắt máy bơm và cắt nguồn điện để đảm bảo an toàn.
2. Nới lỏng các bu lông buộc chặt: Nới lỏng các đinh tán đang cố định vỏ ổ trục để thuận tiện cho việc điều chỉnh khoảng cách giữa bánh công tác và tấm bảo vệ.
3.Lắp gioăng điều chỉnh: Lắp gioăng điều chỉnh tại điểm nối giữa thân ổ trục và thùng chứa vật liệu để di chuyển cụm ổ trục lên hoặc xuống, từ đó điều chỉnh khe hở cánh quạt.
4.Theo dõi dòng điện vận hành: Trong quá trình điều chỉnh, thường xuyên quan sát dòng điện vận hành của máy bơm để đảm bảo rằng máy bơm có thể hoạt động bình thường trong khoảng hở đã điều chỉnh.
5. Kiểm tra thường xuyên: Trong quá trình vận hành thực tế, hãy thường xuyên kiểm tra khe hở cánh quạt và điều chỉnh nếu cần. Đồng thời, kiểm tra các bộ phận khác của máy bơm xem có bị mòn hay hư hỏng không và thay thế, sửa chữa kịp thời.












